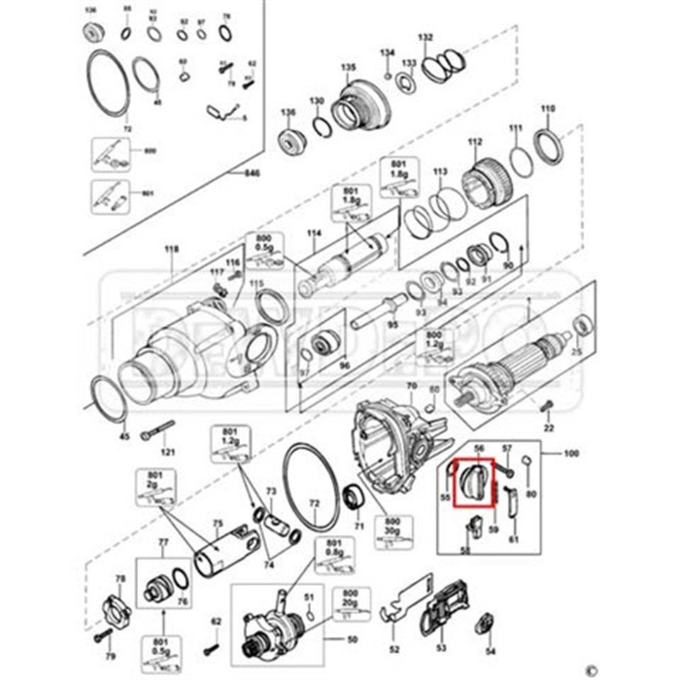
Dewalt D25103 Yedek Parça

 

1
cultureSettings.RegionId: 0 cultureSettings.LanguageCode: TR