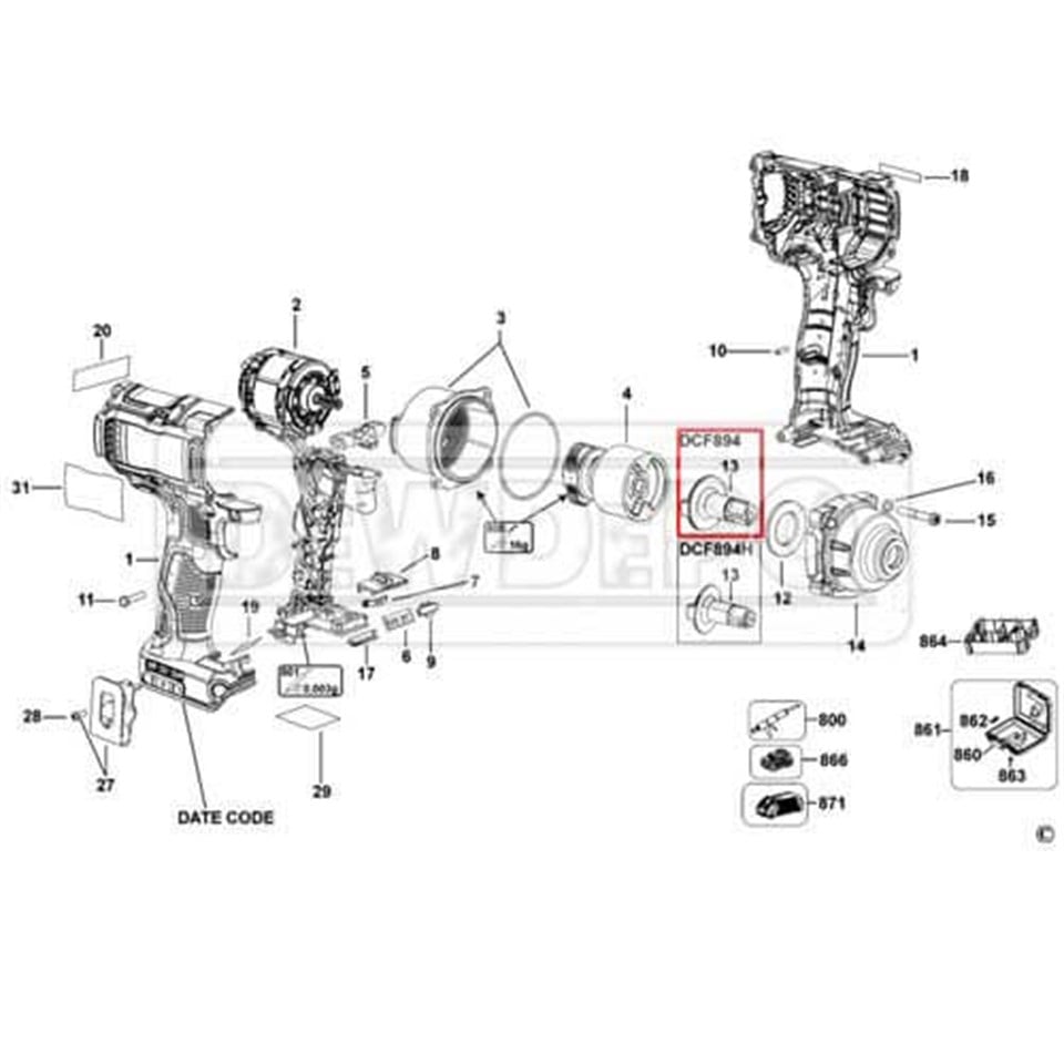
Dewalt DCF894 Yedek Parça

 

cultureSettings.RegionId: 0 cultureSettings.LanguageCode: TR