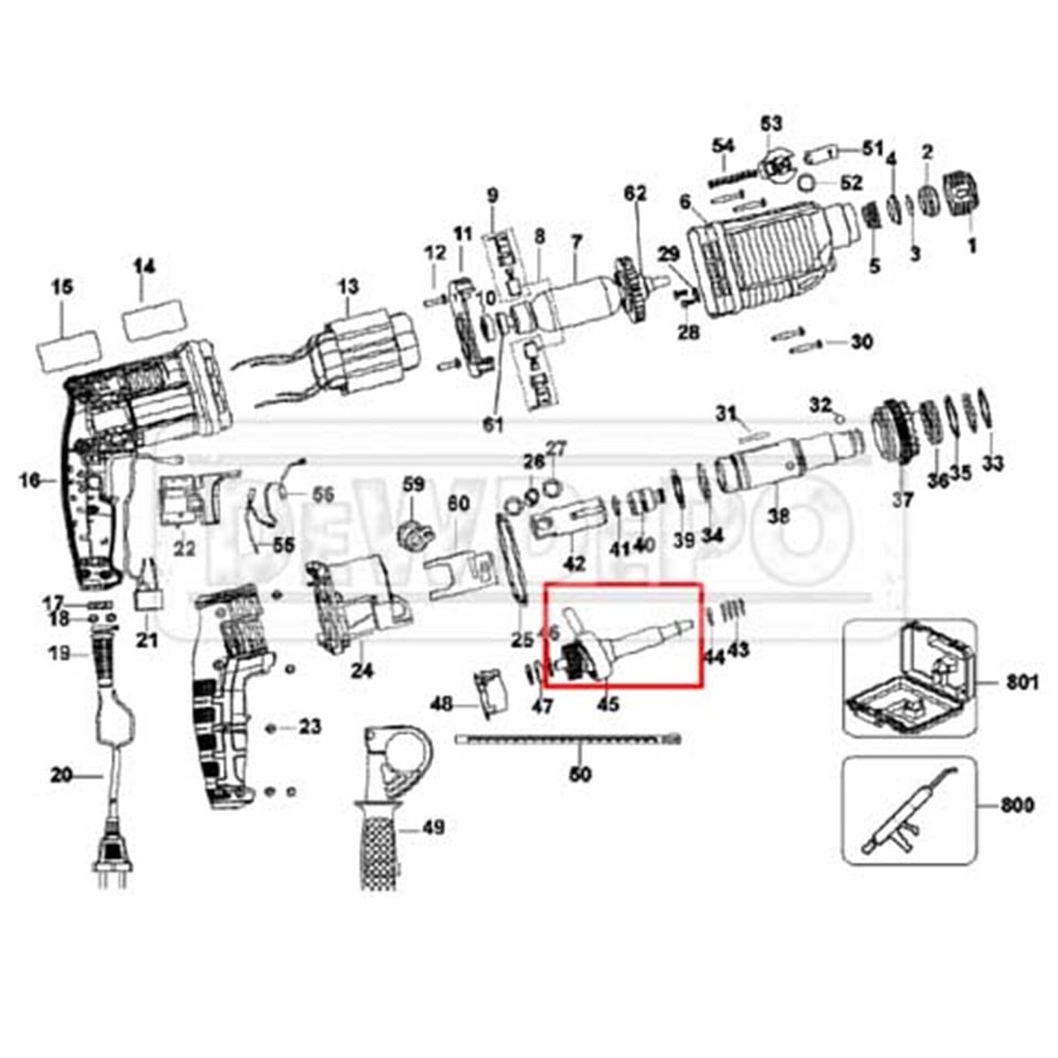
Stanley STHR223K Yedek Parça

 

cultureSettings.RegionId: 0 cultureSettings.LanguageCode: TR